Zum Hauptinhalt springen Zur Suche springen Zur Hauptnavigation springen
Merkliste
Anzahl der HW-Schnittstellen Industrial Ethernet 0
Anzahl der HW-Schnittstellen USB 0
Anzahl der HW-Schnittstellen Wireless 0
Anzahl der HW-Schnittstellen parallel 0
Anzahl der HW-Schnittstellen seriell RS-232 0
Anzahl der HW-Schnittstellen seriell RS-422 0
Anzahl der HW-Schnittstellen seriell RS-485 0
Anzahl der HW-Schnittstellen seriell TTY 0
Anzahl der HW-Schnittstellen sonstige 0
Anzahl der Schnittstellen PROFINET 0
Anzahl der analogen Ausgänge 0
Anzahl der analogen Eingänge 2
Ausführung des elektrischen Anschlusses Federzuganschluss
Breite 12 mm
Eingang, Widerstandsthermometer ja
Eingangssignal konfigurierbar ja
Explosionsschutz-Kategorie für Gas ohne
Explosionsschutz-Kategorie für Staub ohne
Feldbusanschluss über seperaten Buskoppler möglich ja
Höhe 64 mm
Leistungsaufnahme 1 W
SIL nach IEC 61508 ohne
Schutzart (IP) IP20
Spannungsart der Versorgungsspannung DC
Systemkomponente ja
Tiefe 100 mm
Tragschienenmontage möglich ja
Versorgungsspannung AC 50 Hz 0 - 0 V
Versorgungsspannung DC 24 - 24 V
Zertifiziert für UL-Gefahrenbereich Division 1 ja
Zertifiziert für UL-Gefahrenbereich Gruppe A (Acetylen) ja
Zertifiziert für UL-Gefahrenbereich Gruppe B (Wasserstoff) ja
Zertifiziert für UL-Gefahrenbereich Gruppe C (Ethylen) ja
Zertifiziert für UL-Gefahrenbereich Gruppe D (Propan) ja
Zertifiziert für UL-Gefahrenbereich Klasse I ja
WAGO Analoges I/O-Modul DC Serie 750 24V Eingang Widerstandsthermometer
Produktinformationen des Herstellers
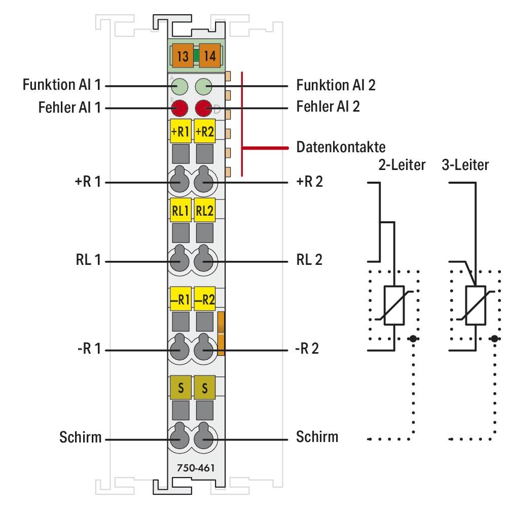
2-Kanal-Analogeingang: Für Widerstandssensoren Pt100-/RTD Das Analogeingangsmodul erlaubt den direkten Anschluss von Pt-Widerstandssensoren. Der Anschluss kann dabei in 2- oder 3-Leiter-Technik erfolgen. Die Linearisierung über den gesamten Temperaturbereich übernimmt das Modul. Ein Kurzschluss oder die Unterbrechung der Sensorleitung sowie eine Bereichsüberschreitung wird durch eine rote Fehler-LED angezeigt. Die grüne LED zeigt die Betriebsbereitschaft und die störungsfreie Kommunikation mit dem Buskoppler an. Der Schirmanschluss ist direkt zur Tragschiene geführt.
Mehr Informationen
Melde Dich zuerst an, um diese Funktion verwenden zu können.
Artikel Aktionen
Details
Details
Details
Details
Details
Details
Details
Details
Details
Details
Details
Details
Details
Details
Details
Details
Details
Details
Details
Details
Anzahl der HW-Schnittstellen Industrial Ethernet 0
Anzahl der HW-Schnittstellen USB 0
Anzahl der HW-Schnittstellen Wireless 0
Anzahl der HW-Schnittstellen parallel 0
Anzahl der HW-Schnittstellen seriell RS-232 0
Anzahl der HW-Schnittstellen seriell RS-422 0
Anzahl der HW-Schnittstellen seriell RS-485 0
Anzahl der HW-Schnittstellen seriell TTY 0
Anzahl der HW-Schnittstellen sonstige 0
Anzahl der Schnittstellen PROFINET 0
Anzahl der analogen Ausgänge 0
Anzahl der analogen Eingänge 2
Ausführung des elektrischen Anschlusses Federzuganschluss
Breite 12 mm
Eingang, Widerstandsthermometer ja
Eingangssignal konfigurierbar ja
Explosionsschutz-Kategorie für Gas ohne
Explosionsschutz-Kategorie für Staub ohne
Feldbusanschluss über seperaten Buskoppler möglich ja
Höhe 64 mm
Leistungsaufnahme 1 W
SIL nach IEC 61508 ohne
Schutzart (IP) IP20
Spannungsart der Versorgungsspannung DC
Systemkomponente ja
Tiefe 100 mm
Tragschienenmontage möglich ja
Versorgungsspannung AC 50 Hz 0 - 0 V
Versorgungsspannung DC 24 - 24 V
Zertifiziert für UL-Gefahrenbereich Division 1 ja
Zertifiziert für UL-Gefahrenbereich Gruppe A (Acetylen) ja
Zertifiziert für UL-Gefahrenbereich Gruppe B (Wasserstoff) ja
Zertifiziert für UL-Gefahrenbereich Gruppe C (Ethylen) ja
Zertifiziert für UL-Gefahrenbereich Gruppe D (Propan) ja
Zertifiziert für UL-Gefahrenbereich Klasse I ja
WAGO Analoges I/O-Modul DC Serie 750 24V Eingang Widerstandsthermometer
Produktinformationen des Herstellers
2-Kanal-Analogeingang: Für Widerstandssensoren Pt100-/RTD Das Analogeingangsmodul erlaubt den direkten Anschluss von Pt-Widerstandssensoren. Der Anschluss kann dabei in 2- oder 3-Leiter-Technik erfolgen. Die Linearisierung über den gesamten Temperaturbereich übernimmt das Modul. Ein Kurzschluss oder die Unterbrechung der Sensorleitung sowie eine Bereichsüberschreitung wird durch eine rote Fehler-LED angezeigt. Die grüne LED zeigt die Betriebsbereitschaft und die störungsfreie Kommunikation mit dem Buskoppler an. Der Schirmanschluss ist direkt zur Tragschiene geführt.
Mehr Informationen
Melde Dich zuerst an, um diese Funktion verwenden zu können.
Artikel Aktionen
Details
Details
Details
Details
Details
Details
Details
Details
Details
Details
Details
Details
Details
Details
Details
Details
Details
Details
Details
Details
Artikel Aktionen
Artikelnummer 1127242
Hersteller WAGO
Originalbezeichnung 750-461
Werksnummer 750-461
EAN 4045454486679
Zolltarifnummer 85389099
Lagerart Beschaffungsware
Melde Dich zuerst an, um weitere Informationen zum Bestand zu erhalten

Zuletzt angesehen

Informationen direkt vom Hersteller

Katalogseiten

Bewertungen (0)

Durchschnittliche Bewertung von 0 von 5 Sternen

Gib eine Bewertung ab!

Teile Deine Erfahrungen mit dem Produkt mit anderen Kunden.