Zum Hauptinhalt springen Zur Suche springen Zur Hauptnavigation springen
Merkliste
Anschlussart Hauptstromkreis Schraubanschluss
Anzahl der Hilfskontakte als Schließer 1
Anzahl der Hilfskontakte als Wechsler 0
Anzahl der Hilfskontakte als Öffner 0
Anzahl der Schalter 1
Ausführung als Hauptschalter ja
Ausführung des Betätigungselements Kipphebel
Bedingter Bemessungskurzschlussstrom Iq 10 kA
Bemessungsbetriebsleistung bei AC-3, 400 V 0 kW
Bemessungsbetriebsleistung bei AC-23, 400 V 0 kW
Bemessungsbetriebsspannung 240 - 240 V
Bemessungsdauerstrom Iu 63 A
Bemessungsdauerstrom bei AC-21, 400 V 63 A
Bemessungskurzzeitstromfestigkeit Icw 12.5 kA
Breite in Teilungseinheiten 1
Farbe des Betätigungselements schwarz
Geeignet für Verteilereinbau ja
Gerätebauart Komplettgerät im Gehäuse
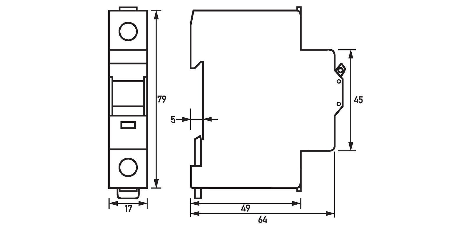
Höhe 79 mm
Max. Bemessungsbetriebsspannung Ue bei AC 415 V
Polzahl 1
Schaltleistung bei 400 V 31 kW
Schutzart (IP), frontseitig IP40
Schutzart (NEMA) 1
Verriegelbar ja
DOEPKE Hauptschalter 63A 1p IP40 m.Geh Komplettger_im_Geh
Produktinformationen des Herstellers
Lastrenn- bzw. Hauptschalter trennen elektrische Verbraucher oder Anlagenteile vollständig und allpolig von der elektrischen Versorgung. Sie schalten auch unter Last oder Überlast. Sie werden zur Abschaltung für Wartungsarbeiten und zum Anlagenschutz eingesetzt. Die Geräte der Baureihe RH sind modulare Hauptlastschalter mit Trennfunktion und zeichnen sich durch eine hohe Verschleißfestigkeit der Kontakte aus. Die Ausführung ermöglicht den Einsatz einer Schaltsperre und entspricht den internationalen Bauvorschriften. Eigenschaften: modularer Aufbau: hohe Kurzschlussfestigkeit und hohes Schaltvermögen: beidseitige Doppelstockklemmen für großen Leiterquerschnitt und Sammelschiene: Schaltstellungsanzeige: Sprungschaltfunktion beim Einschalten: Montageart: Schnellbefestigung auf Tragschiene: Einbaulage beliebig: Einsatzgebiete: Die Geräte der Baureihe RH sind universell einsetzbar, zum Beispiel in der Industrie- und Gebäudetechnik oder in der Hausinstallation. Hinweise: Die Bezeichnung der Geräte der Baureihe RH beinhaltet sowohl den Bemessungsstrom (erstes Zahlenpaar), als auch die Kontaktausführung (letztes Zahlenpaar), die in der Reihenfolge Schließer, Öffner und Wechsler aufgeführt wird. Somit hat ein RH 063-300 z. B. einen Bemessungsstrom von 63 A, drei
Mehr Informationen
Melde Dich zuerst an, um diese Funktion verwenden zu können.
Anschlussart Hauptstromkreis Schraubanschluss
Anzahl der Hilfskontakte als Schließer 1
Anzahl der Hilfskontakte als Wechsler 0
Anzahl der Hilfskontakte als Öffner 0
Anzahl der Schalter 1
Ausführung als Hauptschalter ja
Ausführung des Betätigungselements Kipphebel
Bedingter Bemessungskurzschlussstrom Iq 10 kA
Bemessungsbetriebsleistung bei AC-3, 400 V 0 kW
Bemessungsbetriebsleistung bei AC-23, 400 V 0 kW
Bemessungsbetriebsspannung 240 - 240 V
Bemessungsdauerstrom Iu 63 A
Bemessungsdauerstrom bei AC-21, 400 V 63 A
Bemessungskurzzeitstromfestigkeit Icw 12.5 kA
Breite in Teilungseinheiten 1
Farbe des Betätigungselements schwarz
Geeignet für Verteilereinbau ja
Gerätebauart Komplettgerät im Gehäuse
Höhe 79 mm
Max. Bemessungsbetriebsspannung Ue bei AC 415 V
Polzahl 1
Schaltleistung bei 400 V 31 kW
Schutzart (IP), frontseitig IP40
Schutzart (NEMA) 1
Verriegelbar ja
DOEPKE Hauptschalter 63A 1p IP40 m.Geh Komplettger_im_Geh
Produktinformationen des Herstellers
Lastrenn- bzw. Hauptschalter trennen elektrische Verbraucher oder Anlagenteile vollständig und allpolig von der elektrischen Versorgung. Sie schalten auch unter Last oder Überlast. Sie werden zur Abschaltung für Wartungsarbeiten und zum Anlagenschutz eingesetzt. Die Geräte der Baureihe RH sind modulare Hauptlastschalter mit Trennfunktion und zeichnen sich durch eine hohe Verschleißfestigkeit der Kontakte aus. Die Ausführung ermöglicht den Einsatz einer Schaltsperre und entspricht den internationalen Bauvorschriften. Eigenschaften: modularer Aufbau: hohe Kurzschlussfestigkeit und hohes Schaltvermögen: beidseitige Doppelstockklemmen für großen Leiterquerschnitt und Sammelschiene: Schaltstellungsanzeige: Sprungschaltfunktion beim Einschalten: Montageart: Schnellbefestigung auf Tragschiene: Einbaulage beliebig: Einsatzgebiete: Die Geräte der Baureihe RH sind universell einsetzbar, zum Beispiel in der Industrie- und Gebäudetechnik oder in der Hausinstallation. Hinweise: Die Bezeichnung der Geräte der Baureihe RH beinhaltet sowohl den Bemessungsstrom (erstes Zahlenpaar), als auch die Kontaktausführung (letztes Zahlenpaar), die in der Reihenfolge Schließer, Öffner und Wechsler aufgeführt wird. Somit hat ein RH 063-300 z. B. einen Bemessungsstrom von 63 A, drei
Mehr Informationen
Melde Dich zuerst an, um diese Funktion verwenden zu können.
Artikel Aktionen
Artikelnummer 4817506
Hersteller DOEPKE
Originalbezeichnung RH063-100
Werksnummer 09981060
EAN 4014712154841
Zolltarifnummer 85365080
Lagerart Beschaffungsware
Melde Dich zuerst an, um weitere Informationen zum Bestand zu erhalten

Zuletzt angesehen

Informationen direkt vom Hersteller

Katalogseiten

Bewertungen (0)

Durchschnittliche Bewertung von 0 von 5 Sternen

Gib eine Bewertung ab!

Teile Deine Erfahrungen mit dem Produkt mit anderen Kunden.