Zum Hauptinhalt springen Zur Suche springen Zur Hauptnavigation springen
Merkliste
Anschließbarer Leiterquerschnitt eindrähtig 0.5 - 25 mm²
Anschließbarer Leiterquerschnitt mehrdrähtig 1.5 - 25 mm²
Anzahl der abgesicherten Pole 1
Auslösecharakteristik C
Bemessungsisolationsspannung Ui 2 V
Bemessungsschaltvermögen Icn nach EN 60898 bei 230 V 6 kA
Bemessungsschaltvermögen Icn nach EN 60898 bei 400 V 6 kA
Bemessungsschaltvermögen Icu nach IEC 60947-2 bei 230 V 0 kA
Bemessungsschaltvermögen Icu nach IEC 60947-2 bei 400 V 0 kA
Bemessungsspannung 230 V
Bemessungsstoßspannungsfestigkeit Uimp 4 kV
Bemessungsstrom 13 A
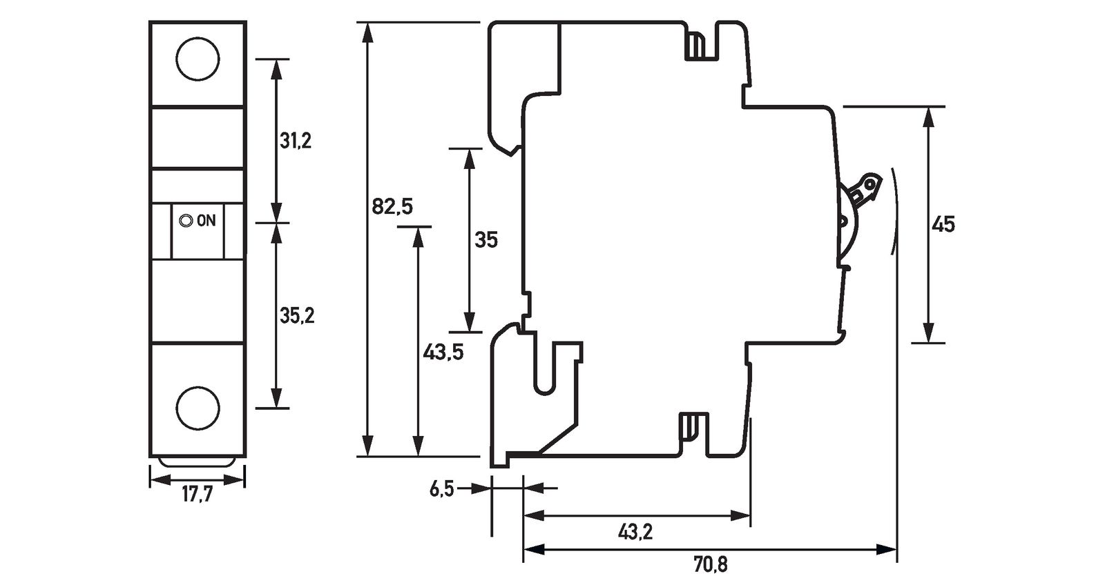
Breite in Teilungseinheiten 1
Einbautiefe 68.7 mm
Energiebegrenzungsklasse 3
Frequenz 50 - 50 Hz
Polzahl (gesamt) 1
Schutzart (IP) IP20
Spannungsart AC/DC
Umgebungstemperatur während des Betriebs -25 - 55 °C
Verlustleistung 2.8 W
Verschmutzungsgrad 2
Zusatzeinrichtungen möglich ja
Überspannungskategorie 3
DOEPKE Leitungsschutzschalter UC C 13A 1p 230V 1TE 50Hz Zusatzeinrichtungen möglich
Produktinformationen des Herstellers
Leitungsschutzschalter schützen Kabel, Leitungen und Installationsgeräte gegen Überlast und Kurzschluss. Jeder unserer Leitungsschutzschalter ist mit einer Freiauslösung ausgestattet, die ein sicheres Abschalten, auch bei blockiertem Schaltknebel, garantiert. Die Ausführung DLS 6h für das Handwerk ist für Verteiler- und Endstromkreise ausgelegt. Ihr Bemessungsschaltvermögen beträgt 6 kA. Mit der Auslösecharakteristik C gewährleisten die Geräte verlässlichen Schutz für Ihre Stromkreise mit Verbrauchern, die höhere Einschaltspitzen erzeugen.
Mehr Informationen
Melde Dich zuerst an, um diese Funktion verwenden zu können.
Anschließbarer Leiterquerschnitt eindrähtig 0.5 - 25 mm²
Anschließbarer Leiterquerschnitt mehrdrähtig 1.5 - 25 mm²
Anzahl der abgesicherten Pole 1
Auslösecharakteristik C
Bemessungsisolationsspannung Ui 2 V
Bemessungsschaltvermögen Icn nach EN 60898 bei 230 V 6 kA
Bemessungsschaltvermögen Icn nach EN 60898 bei 400 V 6 kA
Bemessungsschaltvermögen Icu nach IEC 60947-2 bei 230 V 0 kA
Bemessungsschaltvermögen Icu nach IEC 60947-2 bei 400 V 0 kA
Bemessungsspannung 230 V
Bemessungsstoßspannungsfestigkeit Uimp 4 kV
Bemessungsstrom 13 A
Breite in Teilungseinheiten 1
Einbautiefe 68.7 mm
Energiebegrenzungsklasse 3
Frequenz 50 - 50 Hz
Polzahl (gesamt) 1
Schutzart (IP) IP20
Spannungsart AC/DC
Umgebungstemperatur während des Betriebs -25 - 55 °C
Verlustleistung 2.8 W
Verschmutzungsgrad 2
Zusatzeinrichtungen möglich ja
Überspannungskategorie 3
DOEPKE Leitungsschutzschalter UC C 13A 1p 230V 1TE 50Hz Zusatzeinrichtungen möglich
Produktinformationen des Herstellers
Leitungsschutzschalter schützen Kabel, Leitungen und Installationsgeräte gegen Überlast und Kurzschluss. Jeder unserer Leitungsschutzschalter ist mit einer Freiauslösung ausgestattet, die ein sicheres Abschalten, auch bei blockiertem Schaltknebel, garantiert. Die Ausführung DLS 6h für das Handwerk ist für Verteiler- und Endstromkreise ausgelegt. Ihr Bemessungsschaltvermögen beträgt 6 kA. Mit der Auslösecharakteristik C gewährleisten die Geräte verlässlichen Schutz für Ihre Stromkreise mit Verbrauchern, die höhere Einschaltspitzen erzeugen.
Mehr Informationen
Melde Dich zuerst an, um diese Funktion verwenden zu können.
Artikel Aktionen
Artikelnummer 4970778
Hersteller DOEPKE
Originalbezeichnung DLS6HC13-16KA
Werksnummer 09914202
EAN 4014712163072
Zolltarifnummer 85363010
Lagerart Lagerware
Melde Dich zuerst an, um weitere Informationen zum Bestand zu erhalten

Zuletzt angesehen

Informationen direkt vom Hersteller

Katalogseiten

Bewertungen (0)

Durchschnittliche Bewertung von 0 von 5 Sternen

Gib eine Bewertung ab!

Teile Deine Erfahrungen mit dem Produkt mit anderen Kunden.