Zum Hauptinhalt springen Zur Suche springen Zur Hauptnavigation springen
Merkliste
Anschließbarer Leiterquerschnitt eindrähtig 0.5 - 25 mm²
Anschließbarer Leiterquerschnitt mehrdrähtig 1.5 - 25 mm²
Anzahl der abgesicherten Pole 1
Auslösecharakteristik C
Bemessungsisolationsspannung Ui 2 V
Bemessungsschaltvermögen Icn nach EN 60898 bei 230 V 6 kA
Bemessungsschaltvermögen Icn nach EN 60898 bei 400 V 6 kA
Bemessungsschaltvermögen Icu nach IEC 60947-2 bei 230 V 0 kA
Bemessungsschaltvermögen Icu nach IEC 60947-2 bei 400 V 0 kA
Bemessungsspannung 230 V
Bemessungsstoßspannungsfestigkeit Uimp 4 kV
Bemessungsstrom 20 A
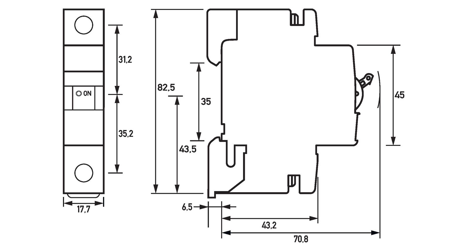
Breite in Teilungseinheiten 1
Einbautiefe 68.7 mm
Energiebegrenzungsklasse 3
Frequenz 50 - 50 Hz
Polzahl (gesamt) 1
Schutzart (IP) IP20
Spannungsart AC/DC
Umgebungstemperatur während des Betriebs -25 - 55 °C
Verlustleistung 6 W
Verschmutzungsgrad 2
Zusatzeinrichtungen möglich ja
Überspannungskategorie 3
DOEPKE Leitungsschutzschalter UC C 20A 1p 230V 1TE 50Hz Zusatzeinrichtungen möglich
Produktinformationen des Herstellers
Die Aufgabe von Leitungsschutzschaltern ist das selbsttätige Abschalten von Stromkreisen zum Schutz von Leitungen und angeschlossenen Geräten. Nach einer Abschaltung können sie manuell wieder eingeschaltet werden, ohne dass z. B. Sicherungseinsätze ausgewechselt werden müssten. Jeder unserer Leitungsschutzschalter ist mit einer Freiauslösung ausgestattet, die ein sicheres Abschalten, auch bei z. B. mechanisch blockiertem Schaltknebel, gewährleistet. Leitungsschutzschalter der Baureihe DLS 6 schützen Kabel, Leitungen und Installationsgeräte gegen Überlast und Kurzschluss nach DIN VDE 0100. Die Baureihe umfasst eine große Auswahl verschiedener Typen, vom Schalter für Wohn- und Zweckgebäude bis zum Schalter für den industriellen Bereich. Durch ihre kompakte Bauweise bieten Leitungsschutzschalter der Baureihe DLS 6 maximalen Raumgewinn für die komfortable Verdrahtung. Der große Klemmbereich und die Möglichkeit der Verwendung handelsüblicher Verdrahtungsschienen sorgen für eine einfache Installation. Ergänzend ist der Anschluss einer Vielzahl von Zusatzgeräten wie zum Beispiel Arbeitsstromauslöser sowie Hilfs- und Störmelder möglich. Die Ausführung DLS 6h für das Handwerk eignet sich mit ihrem Bemessungsschaltvermögen von 6 kA für Verteiler- und Endstromkreise. Schalter mit der Auslösecharakteristik C sind für Leistungsstromkreise mit hohen Einschalt- bzw. Spitzenströmen optimiert. Eigenschaften: Bemessungsschaltvermögen 6 kA: Zugbügelklemmen mit weitem Klemmquerschnittsbereich für Schienen- und Leitungsverdrahtung auf beiden Anschlussseiten: spezielle Schnellbefestigung zur Entnahme auch mehrerer Leitungsschutzschalter aus dem unteren oder oberen Schienenverbund: großes. klappbares Beschriftungsfenster für einen sicheren Halt und Schutz des Etiketts: Verwendung von handelsüblichen Verdrahtungsschienen: ON/OFF-Schaltstellungsanzeige am Schaltknebel: Zubehör rechts nachrüstbar: kostenlose Beschriftungssoftware: Montageart: Schnellbefestigung auf Tragschiene: Einbaulage beliebig: Einsatzgebiete: geeignet für den Einsatz in Stromversorgungen für Wohngebäude und
Mehr Informationen
Melde Dich zuerst an, um diese Funktion verwenden zu können.
Anschließbarer Leiterquerschnitt eindrähtig 0.5 - 25 mm²
Anschließbarer Leiterquerschnitt mehrdrähtig 1.5 - 25 mm²
Anzahl der abgesicherten Pole 1
Auslösecharakteristik C
Bemessungsisolationsspannung Ui 2 V
Bemessungsschaltvermögen Icn nach EN 60898 bei 230 V 6 kA
Bemessungsschaltvermögen Icn nach EN 60898 bei 400 V 6 kA
Bemessungsschaltvermögen Icu nach IEC 60947-2 bei 230 V 0 kA
Bemessungsschaltvermögen Icu nach IEC 60947-2 bei 400 V 0 kA
Bemessungsspannung 230 V
Bemessungsstoßspannungsfestigkeit Uimp 4 kV
Bemessungsstrom 20 A
Breite in Teilungseinheiten 1
Einbautiefe 68.7 mm
Energiebegrenzungsklasse 3
Frequenz 50 - 50 Hz
Polzahl (gesamt) 1
Schutzart (IP) IP20
Spannungsart AC/DC
Umgebungstemperatur während des Betriebs -25 - 55 °C
Verlustleistung 6 W
Verschmutzungsgrad 2
Zusatzeinrichtungen möglich ja
Überspannungskategorie 3
DOEPKE Leitungsschutzschalter UC C 20A 1p 230V 1TE 50Hz Zusatzeinrichtungen möglich
Produktinformationen des Herstellers
Die Aufgabe von Leitungsschutzschaltern ist das selbsttätige Abschalten von Stromkreisen zum Schutz von Leitungen und angeschlossenen Geräten. Nach einer Abschaltung können sie manuell wieder eingeschaltet werden, ohne dass z. B. Sicherungseinsätze ausgewechselt werden müssten. Jeder unserer Leitungsschutzschalter ist mit einer Freiauslösung ausgestattet, die ein sicheres Abschalten, auch bei z. B. mechanisch blockiertem Schaltknebel, gewährleistet. Leitungsschutzschalter der Baureihe DLS 6 schützen Kabel, Leitungen und Installationsgeräte gegen Überlast und Kurzschluss nach DIN VDE 0100. Die Baureihe umfasst eine große Auswahl verschiedener Typen, vom Schalter für Wohn- und Zweckgebäude bis zum Schalter für den industriellen Bereich. Durch ihre kompakte Bauweise bieten Leitungsschutzschalter der Baureihe DLS 6 maximalen Raumgewinn für die komfortable Verdrahtung. Der große Klemmbereich und die Möglichkeit der Verwendung handelsüblicher Verdrahtungsschienen sorgen für eine einfache Installation. Ergänzend ist der Anschluss einer Vielzahl von Zusatzgeräten wie zum Beispiel Arbeitsstromauslöser sowie Hilfs- und Störmelder möglich. Die Ausführung DLS 6h für das Handwerk eignet sich mit ihrem Bemessungsschaltvermögen von 6 kA für Verteiler- und Endstromkreise. Schalter mit der Auslösecharakteristik C sind für Leistungsstromkreise mit hohen Einschalt- bzw. Spitzenströmen optimiert. Eigenschaften: Bemessungsschaltvermögen 6 kA: Zugbügelklemmen mit weitem Klemmquerschnittsbereich für Schienen- und Leitungsverdrahtung auf beiden Anschlussseiten: spezielle Schnellbefestigung zur Entnahme auch mehrerer Leitungsschutzschalter aus dem unteren oder oberen Schienenverbund: großes. klappbares Beschriftungsfenster für einen sicheren Halt und Schutz des Etiketts: Verwendung von handelsüblichen Verdrahtungsschienen: ON/OFF-Schaltstellungsanzeige am Schaltknebel: Zubehör rechts nachrüstbar: kostenlose Beschriftungssoftware: Montageart: Schnellbefestigung auf Tragschiene: Einbaulage beliebig: Einsatzgebiete: geeignet für den Einsatz in Stromversorgungen für Wohngebäude und
Mehr Informationen
Melde Dich zuerst an, um diese Funktion verwenden zu können.
Artikel Aktionen
Artikelnummer 4970780
Hersteller DOEPKE
Originalbezeichnung DLS6HC20-16KA
Werksnummer 09914204
EAN 4014712163096
Zolltarifnummer 85363010
Lagerart Lagerware
Melde Dich zuerst an, um weitere Informationen zum Bestand zu erhalten

Zuletzt angesehen

Informationen direkt vom Hersteller

Katalogseiten

Bewertungen (0)

Durchschnittliche Bewertung von 0 von 5 Sternen

Gib eine Bewertung ab!

Teile Deine Erfahrungen mit dem Produkt mit anderen Kunden.